Простое электронное зажигание на Д с диодным мостом.

( Пред.  1, 2, 3 ... 15, 16, 17 ... 27, 28, 29  След. )
Начать новую тему   Ответить на тему Подписчиков (8)
Форум » Электрическая система (ДВС) » Простое электронное зажигание на Д с диодным мостом.
serzei

Посмотреть профиль Отправить личное сообщение
На форуме с 27.05.2011, cообщений 44
олонец
Ответить с цитатой
Ссылка на это сообщение:
Добавлено: 11:28 / 31.10.11

карб не переливает. Пробовали с разными свечками. Искры на больших оборотах нема. Sad нужно настраивать р1 и р2 только я не помню какой резистор чтО настраивает?
Онлайн-статус
omich

Посмотреть профиль Отправить личное сообщение
На форуме с 05.09.2011, cообщений 436
Железнодорожный
Ответить с цитатой
Ссылка на это сообщение:
Добавлено: 12:14 / 31.10.11

serzei писал(а):
... Искры на больших оборотах нема. Sad нужно настраивать р1 и р2 только я не помню какой резистор чтО настраивает?

А что если поставить переменники? Из-за разброса характеристик тиристоров для нормальной работы схемы могут оказаться совсем другие номиналы резисторов.
Плюс, я бы попробовал уменьшить емкость до 1 мкф. А то может он у вас на оборотах заряжаться не успевает из-за большого внутреннего сопротивления обмотки? И какой марки конденсатор? Хорошо подходят конденсаторы К73-17. У меня, когда делал зажигание, с 1 мкф искра на воздухе 15 мм пробивала.
По формуле, энергия заряда равна квадрату напряжения и прямо пропорциональна емкости:
Простое электронное зажигание на Д с диодным мостом.

Т.е. более важно зарядить меньший конденсатор на большее напряжение, чем двойную емкость на меньшее.
serzei

Посмотреть профиль Отправить личное сообщение
На форуме с 27.05.2011, cообщений 44
олонец
Ответить с цитатой
Ссылка на это сообщение:
Добавлено: 19:32 / 31.10.11

ок. Попробую на 1мф поставить. Блииин щас сходил в гараж там на схеме конденсат, а я сразу не увидел.и крутанул пару раз колёсикоSad после этого искры как небывало.что могло сгореть?
Онлайн-статус
omich

Посмотреть профиль Отправить личное сообщение
На форуме с 05.09.2011, cообщений 436
Железнодорожный
Ответить с цитатой
Ссылка на это сообщение:
Добавлено: 11:39 / 01.11.11

serzei писал(а):
...что могло сгореть?

Самое плохое, что могло произойти, это КЗ в сырой катушке. Можно попытаться её высушить, т.е. снять, принести домой, положить рядом с батареей, чтобы хорошенько просохла, а потом заизолировать от влаги. Я катушку зажигания поверх изоленты эпоксидкой хорошенько промазал слоями с бинтом, плюс с боков, где провода выходили, когда саму схемку зажигания в коробочке заливал, да так, что ему было пофиг потом, когда со шланга мопед мыл и вода на зажигание попадала из-за отсутствующей крышки. Совершенно легко после этого заводится бестия. Smile Зажигание обязано выдерживать некоторое количество попавшей на него воды. А иначе попадешь под дождь далеко от дома и что, на себе мопед тащить?
Онлайн-статус
Абрис

Посмотреть профиль Отправить личное сообщение
На форуме с 26.03.2009, cообщений 307, возраст 41
Жуковский Мос. обл.
Ответить с цитатой
Ссылка на это сообщение:
Добавлено: 18:41 / 01.11.11

Ух ты САМ завхоз в моей теме!

Я пытался скрестить советскую дэшку и китайские модули зажигания (копии сузучьих). Результат неудовлетворительный Sad .

Да у стареньких Сузучек и китайских цепных скутеров было зажигание без отдельного датчика и коммутатор с бобиной в одном корпусе:

Простое электронное зажигание на Д с диодным мостом.


С таким статором генератора:

Простое электронное зажигание на Д с диодным мостом.


А такой китайский блок продают как аналог для Сузуки Адресса:

Простое электронное зажигание на Д с диодным мостом.


Он для такого статора:

Простое электронное зажигание на Д с диодным мостом.


Мои эксперименты на разных моторах показали, что они не взаимозаменяемы между собой.

Делать электронное зажигание на дэшку я начал с того, что испытал эти блоки. С первым блоком от китайского цепного скутера, как не изголялся, искры получить не смог - ни от штатной высоковольтной обмотки магнето Д-5, ни от перемотанной (проводом 0,18 внавал до упора). Напряжение при проворачивании колеса рукой на входе бобины было около 50 вольт, но похоже (как бы выразится? Rolling Eyes ) форма сигнала была неподходящая. Ведь не зря же на КД идет своя бабина-коммутатор, не такая как на цепных китайских скуторах. Позже эта догадка подтвердилась.

У меня два 4Т китайских движка (FMB 139) с разными генераторами (фото amdmen`а):

Простое электронное зажигание на Д с диодным мостом.


С такой заряжающей катушкой, как на статоре слева, бабина- коммутатор шарашит искру за милую душу. Это не удивительно - на китайском цепном скутере стоит она же. А вот с той, что справа на статоре с многополюсным сердечником работать не желает.

Кстати FMB с двухкатушечным генератором может даже завестись с этой бобиной, видать момент зажигания почти в нужном месте, но работает ужасно (похоже вспышки в такте впуска).

Потом купил в Сокольниках китайский блок, как на нижнем фото. Сним искра у Д5 появилась сразу (на перемотанной катушке), правда слабенькая - блок совсем легкий (пожалели китайцы трансформаторного железа и медного провода на бабину). Я выставил опережение зажигания, завел мотор. К сожалению, с увеличением оборотов момент зажигания уходит в позднее и двигатель не раскручивается, а только греется и плюется из глушителя несгоревшим топливом. С этим тоже не смог ничего поделать. Даже собирал эту схему с диодным делителем сам, на отечественных радиодеталях - таже фигня.

Блок зажигания от КД отдельно в продаже найти не так-то просто, по почте заказывать не стал - надоело тратить деньги впустую, да и мягко говоря не хвалят его.

Бобина с первой фотки позволяет очень просто сделать электронное зажигание для шавки. Электронное зажигание для Ш58. Имплантация.

Но почему же не хочет работать с дэхой? Вот что мне ответили:

~Roman~ писал(а):
Насчёт того что не хочет работать с генератором у которого сердечник звездой. Вероятно здесь смешиваются магнитные потоки генераторных полюсов и полюсов на зажигание через общий сердечник. Поэтому характер импульсов и их форма с заряжающей катушки могут сильно отличатся. Отсюда и вся бяка.

Что касается Дешника, то не эксперементировал. Но у дешника другая бяка у него нету чёткой границы между полюсами ротора и поэтому напряжение на заряжающей катущке изменяется тоже плавно. А из-за температурной нестабильности параметров теристора момент появления искры будет сильно менятся. Вообщем идея для Дешника применима, но требует серьёзных доработок генератора.



krotik1966 писал(а):
Ключевые слова выделены

Абрис писал(а):
.....
Да, на дешке она работала не корректно, но ведь купленный следом этот китайский блок повел себя точно также, даже хуже - искра с ним на Д-5 была слабенькая....


krotik1966 писал(а):
.....
Всё, схема заработала на начальном (или чуть выше, зависит от параметров генератора) участке полуволны. ...... И именно по этому зажигалки от Сузуки хотят зарядную катушку намотанную более толстым проводом 0.15-0.2мм, для управления в импульсе нужно 0.3А.


Д5, и даже Д6-8 выдадут такой ток только на пике полуволны. В результате будет то что есть. А, для примера, в КД магниты злобные и работает как надо. Хотя колебания метки заметны в отличии от того как оно с 4х полюсным ротором, но не на столько чтоб окзать заметное влияние.



Важно! Я чуть выше говорил про то что можно безболезненно заменить коммутатор КД на Сузуковский. В общем так оно и есть, родной от японца точно работает как надо. Однако в руки попало ещё 2 Китайских коммутатора под Сузуку, форма корпуса одинакова, однако при подключении ведут себя по разному Shocked Заметно разные обороты начала искрообразования. Подождите немного, соберу стендик с КДешным зажиганием и проверю углы. Буквально несколько дней, надо до стендика добратся. 2 коммутатора, родной и один из Китайских уже были, с ними всё работало. Боюсь что собраны по разным схемам и разными производителями, различить можно только по маркировке и качеству пластика.
Онлайн-статус
qwant

Посмотреть профиль Отправить личное сообщение
На форуме с 27.12.2008, cообщений 217
Н. Новгород.
Ответить с цитатой
Ссылка на это сообщение:
Добавлено: 19:15 / 01.11.11

Абрис писал(а):
Ух ты САМ завхоз в моей теме!

Я пытался скрестить советскую дэшку и китайские модули зажигания (копии сузучьих). Результат неудовлетворительный Sad .



Очень подробно описано.+1
Я мотал, на подкове Д6, примерно 1500-2500 витков проводом 0.2х в навал....
Искра была с малых оборотов, подключал два модуля, один сепия (родной),
другой кЕтайский....
Результат: на кЕтайском модуле искра появляется на более высоких оборотах...
Онлайн-статус
Абрис

Посмотреть профиль Отправить личное сообщение
На форуме с 26.03.2009, cообщений 307, возраст 41
Жуковский Мос. обл.
Ответить с цитатой
Ссылка на это сообщение:
Добавлено: 19:45 / 01.11.11

serzei, искра с увеличением оборотов двигателя может пропадать из-за некондиционного или просто не подходящего к данной схеме типа тиристора, плохо перемотанной подковы.
Резисторы делителя для каждого конкретного случая надо подбирать отдельно .

И еще, вы точно уверены, что искра проподлает с увеличением оборотов? Может просто недостаточное опережение, вот он и не раскручивается?
serzei

Посмотреть профиль Отправить личное сообщение
На форуме с 27.05.2011, cообщений 44
олонец
Ответить с цитатой
Ссылка на это сообщение:
Добавлено: 20:20 / 01.11.11

тиристор ку 202 е
подкову не перематывал.
Сейчас собрал ту же схему но с резисторами переменными по 1ком.и конденцатором 1мф.
Но как бы не крутил нету искры.Sad может бабина дохлая? Как проверить без заведомо исправного мопеда?
Онлайн-статус
omich

Посмотреть профиль Отправить личное сообщение
На форуме с 05.09.2011, cообщений 436
Железнодорожный
Ответить с цитатой
Ссылка на это сообщение:
Добавлено: 06:12 / 02.11.11

serzei писал(а):
тиристор ку 202 е
подкову не перематывал.
Сейчас собрал ту же схему но с резисторами переменными по 1ком.и конденцатором 1мф.
Но как бы не крутил нету искры.Sad может бабина дохлая? Как проверить без заведомо исправного мопеда?

КУ202Е на слишком маленькое напряжение. Может уже пробило?
serzei

Посмотреть профиль Отправить личное сообщение
На форуме с 27.05.2011, cообщений 44
олонец
Ответить с цитатой
Ссылка на это сообщение:
Добавлено: 08:35 / 02.11.11

всё возможно! Дайте кто нибудь проверенную схемку для проверки тиристора.
Пробовал на контактах. Искра была но попробовал завести и всё нема искры. После этого контакт который должен стоять намертво стал шататься. Я его выгнул чуть чуть вроде есть скра на конактах, но не постоянная, а на свече нет. Как так?
Онлайн-статус
omich

Посмотреть профиль Отправить личное сообщение
На форуме с 05.09.2011, cообщений 436
Железнодорожный
Ответить с цитатой
Ссылка на это сообщение:
Добавлено: 08:56 / 02.11.11

serzei писал(а):
Дайте кто нибудь проверенную схемку для проверки тиристора.
...

Неужели все поисковики загнулись? Very Happy
Вторая ссылка в гугле:
http://radio-gl.narod.ru/remont/pr_det/pr_det.htm
Но так можно и не проверить до конца. Отечественные тиристоры пробитые высоким напряжением на маленьких напряжениях вполне могут работать(в свое время много цветомузык по-переделал), а на больших напряжениях сами открываться.
serzei писал(а):
...
Пробовал на контактах. Искра была но попробовал завести и всё нема искры. После этого контакт который должен стоять намертво стал шататься. Я его выгнул чуть чуть вроде есть скра на конактах, но не постоянная, а на свече нет. Как так?

Контактное зажигание вообще вещь очень капризная. Чтобы оно сностно работало необходимо обязательное выполнение ряда условий:
1. Исправная подкова.
2. Исправный конденсатор.
3. Исправные контакты(т.е. не замыкающие сами на массу - и такое бывает)
4. Правильно выставленный зазор и опережение.
5. Исправная свеча и провод с колпачком(иногда в колпачке перегорает сопротивление).

Поэтому и придумали бесконтактное электронное, чтобы хотя бы свести к минимуму нестабильные механические составляющие зажигания.
serzei

Посмотреть профиль Отправить личное сообщение
На форуме с 27.05.2011, cообщений 44
олонец
Ответить с цитатой
Ссылка на это сообщение:
Добавлено: 09:51 / 02.11.11

спасибо за ссылку!!!
1. Исправная подкова.
2. Исправный конденсатор. Пробовал с 3
3. Исправные контакты прозванивал на массу всё ок
4. Правильно выставленный
зазор и опережение.зазор ставил от 0.5 до 0.2 и 3-4 дм втм
5. Исправная свеча и провод с
колпачком вроде тоже всё ок пробовал со многими.
Также делал с 3 электронными зажиганиями.
Искры нема. Я думаю что с контактом чтото не так.
Онлайн-статус
omich

Посмотреть профиль Отправить личное сообщение
На форуме с 05.09.2011, cообщений 436
Железнодорожный
Ответить с цитатой
Ссылка на это сообщение:
Добавлено: 11:02 / 02.11.11

serzei писал(а):
...
Искры нема.

Если кажется, что все условия выполнены, а искры так и нет, то значит что-то все-таки НЕ исправно. Чудес в природе НЕ БЫВАЕТ!!!
Очень похожая тема с отсутствием искры.
kales57

Посмотреть профиль Отправить личное сообщение
На форуме с 24.02.2010, cообщений 163, возраст 59
Орел
Ответить с цитатой
Ссылка на это сообщение:
Добавлено: 22:42 / 03.11.11

Братцы!Таки что-то неисправно!Но что? Алгоритма поиска -то нет! У меня после намотки 3500 витков и подсоединения комммутатора пропала искра.Со штатной подковой мотор работает отлично-вывод косяк в обмотке. сейчас перематываю ибо это дешевле!
Онлайн-статус
qwant

Посмотреть профиль Отправить личное сообщение
На форуме с 27.12.2008, cообщений 217
Н. Новгород.
Ответить с цитатой
Ссылка на это сообщение:
Добавлено: 19:10 / 06.11.11

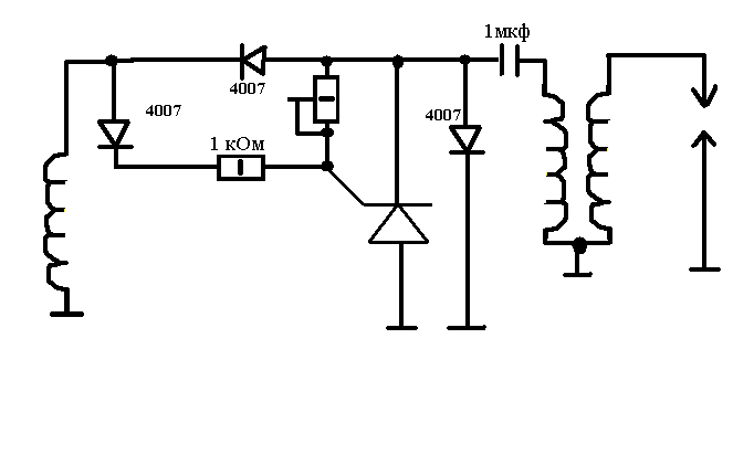
Добрый вечер!
Опробовал на стенде вот эту схемку... работает отлично, но испытать на моторе нет
возможности...
Если кто испытает буду очень рад!
Простое электронное зажигание на Д с диодным мостом.

Простое электронное зажигание на Д с диодным мостом.

Простое электронное зажигание на Д с диодным мостом.


Тиристор ку202н...

Начать новую тему    Ответить на тему Подписчиков (8) ( Пред.  1, 2, 3 ... 15, 16, 17 ... 27, 28, 29  След. )
 

Перейти:  
Вы не можете начинать темы
Вы не можете отвечать на сообщения
Вы не можете редактировать свои сообщения
Вы не можете удалять свои сообщения
Вы не можете голосовать в опросах

« Простое зарядное устройство для аккумулятора. | Зажигание КД »



 
© ДЫРЧИК.РУ 2018
info@dyr4ik.ru
www.magazinmopedov.ru Мобильная платформа для втуберов